产品分类PRODUCT CATEGORY
新动态NEWS INFORMATION

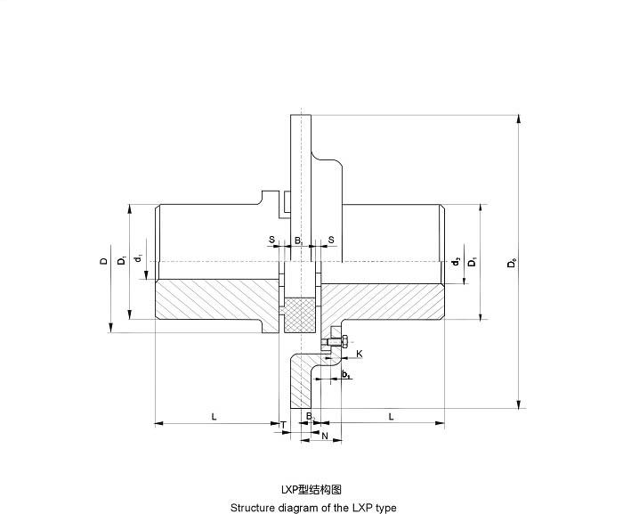
产品详情
LXP带制动轮星形弹性联轴器是采用非金属弹性元件联接的弹性联轴器,该星形弹性联轴器主要用于联接两同轴线运动的轴系,具有 的缓冲和减振的功能,适用于各类具有制动要求的设备的安装。




LXP带制动轮星形弹性联轴器是采用非金属弹性元件联接的弹性联轴器,该星形弹性联轴器主要用于联接两同轴线运动的轴系,具有 的缓冲和减振的功能,适用于各类具有制动要求的设备的安装。

